Pravý anděl 5PIN samec a samice Pogo pin konektor
Pružinový náprstek je sonda pružinového typu tvořená třemi základními částmi jehly, trubičkou jehly a pružinou po nýtování přesným nástrojem. Nazývá se také pogo pin, pogopin pružinový elektrodový sloupek, Spring Loaded nebo pogopin. Spodní část jehly pružinového náprstku je obvykle zkosená konstrukce.

Funkcí zkosené struktury je zajistit, aby pogopin udržoval ruku v kontaktu s vnitřní stěnou jehlové trubice, když pracuje, takže proud prochází hlavně pozlacenou jehlou a jehlovou trubičkou, aby byla zajištěna stabilita a nízká impedance pogopinu.

Pružinové náprstky se obecně používají v přesných spojích v elektronických produktech, jako jsou mobilní telefony, komunikace, automobily, lékařství, letectví atd.; protože pružinový náprstek je vynikající sonda, objem může být velmi malý, takže může snížit náklady na připojení při použití v přesných konektorech. Snižte hmotnost zařízení, ušetříte místo a zkrášlíte vzhled výrobku (jako jsou ultratenké mobilní telefony, chytré hodinky, elektronické cigarety atd.).

Šest běžných stylů a funkcí pogopinů:
Pogopin s plochým dnem: dobrá stabilita, spodní část trubice jehly je s plochým dnem, snadno se páje s deskou PCB
Plug-in pogopin: Na konci jehlové trubice je polohovací kolík a když je připájen k desce PCB, nedojde k žádné odchylce a polohovací efekt je dobrý;
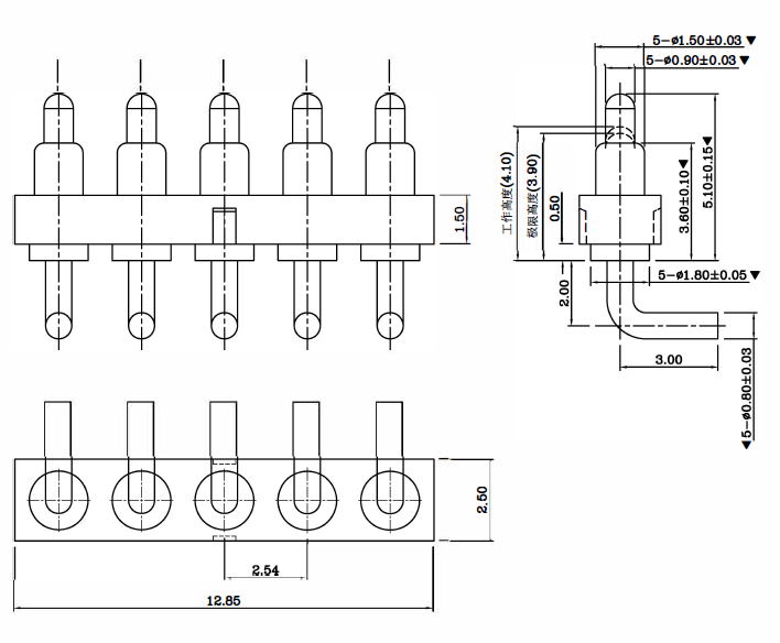
Ohýbání pogopinu: ocas je ohnutý, což poskytuje návrhářům více možností ve využití prostoru;
Dvouhlavý pogopin: Konstrukce dvouhlavého a dvoučinného umožňuje inženýrům mít větší prostorovou flexibilitu při obousměrném připojení desky k desce
Pájecí drát pogopin: vhodný pro Koncovku kabelu, snadno pájecí drátem
Závitový pogopin: produkty se speciálními specifikacemi mohou splňovat různé potřeby zákazníků.

