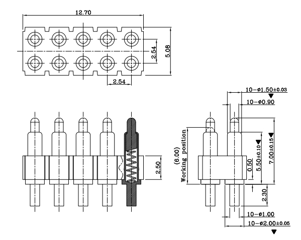
8-kolíky 2-konektor řádku
Laboratoř je postavena podle systémové normy ISO/IEC17025. Má přední světový stroj na přetavení horkého vzduchu, stroj na testování solné mlhy, stroj na konstantní teplotu a vlhkost, stroj na testování tepelných šoků a další zařízení, které dokáže realizovat všechny testy životního prostředí včetně testování spolehlivosti produktu.

Projekt zahrnuje mnoho aspektů: technologii zpracování, metody zpracování, materiály produktů atd. V zásadě se však jedná o vyzrálé návrhy a techniky zpracování, které můžeme plně rozvinout.